欢迎访问江苏润众环保材料有限公司!

公司简介联系我们在线留言企业分站

专注于ptfe针刺毡、ptfe滤袋、生产和制作以及ptfe滤料研发
广泛应用于垃圾焚烧、固废处置、玻璃窑、生活垃圾焚烧、氯碱厂、化工厂等恶劣工况环境下的烟气除尘

服务热线:13382647222

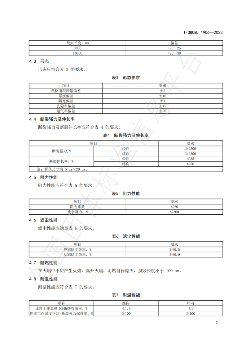
《我公司团体标准覆膜 PTFE 滤袋正式发布》

点击数:2362发布:2024-11-04 来源: 全国城市工业品贸易中心联合会文件